Otsing leidis 278 vastet
- 10 Apr 2023, 17:19
- Foorum: Huviliste autod
- Teema: Vw Multivan 1,9 TD- marco
- Vastuseid: 35
- Vaatamisi: 26794
Vw Multivan 1,9 TD- marco
Viimasest postitusest on rohkem kui 4 aastat möödas. Täna äratasin bussi talveunest üles. Üks õlirõhuandur oli talve jooksul ära surnud, aga see sai kiirelt vahetatud. Lisaks on plaanis suht kiire käigukast kõige kiirema vastu vahetada.
- 06 Sept 2020, 05:00
- Foorum: Huviliste autod
- Teema: Vw Golf mk1 2.0 83.a - K.Siim
- Vastuseid: 209
- Vaatamisi: 116072
Vw Golf 1 Projekt 2.0 1983.a - K.Siim
Väga suur ja auväärne töö on ära tehtud! Seda autot tahaks reaalselt oma silmaga ka lähemalt vaadata... .
Ja see summuti ots on juba tehasest selline viltune. Mina seda sirgeks ei väänaks!!!
Ja see summuti ots on juba tehasest selline viltune. Mina seda sirgeks ei väänaks!!!
- 21 Aug 2020, 07:06
- Foorum: Diislid
- Teema: Taimeõli kütusena
- Vastuseid: 3
- Vaatamisi: 2125
Taimeõli kütusena
Toiduõli peab olema puhas. Suvel ei ole vaja midagi ümber ehitada. Talvel vajab paak ja torustik soojendust, kuna õli hangub ära. Kunagi sõitsin ka õliga, aga kallasin diisliga pooleks. Võtab küll rohkem kütust ja minek on kehvem, aga sumpast tuleb mõnus piruka lõhn! 😀 Uuematele autodele millegipära...
- 28 Juun 2020, 10:03
- Foorum: Huviliste autod
- Teema: Vw Golf1-marco
- Vastuseid: 82
- Vaatamisi: 59428
Vw Golf1-marco
Kuni 1977 aasta kolmanda kvartali lõpuni toodetud autodel said omanikud kapotti avades nautida kaunist plekist õhufiltri kopsikut. Edasised omanikud pidid leppima plastikuga. Alates tänasest on ka minu autol ilus plekist õhufiltri kopsik! Lisaks on tagasi pandud tolle aja raadio-kasett mängija! 2020...
- 25 Mai 2020, 01:32
- Foorum: Huviliste autod
- Teema: Vw Golf1-marco
- Vastuseid: 82
- Vaatamisi: 59428
Vw Golf1-marco
Tere! Viimasest postitusest on rohkem, kui aasta möödas ja ega tegelikult pole väga midagi muutunud ka. Talvel auto enam ei sõitnud! Kunagi sai kasutajalt CR-R-lt gti rool ostetud ja lastud korda teha. Kuna tegemist on originaal rooliga, siis ei osanud unes ka näha, mis ülevaatusel toimuma hakkab. L...
- 25 Mai 2020, 01:22
- Foorum: Huviliste autod
- Teema: Vw Golf1-marco
- Vastuseid: 82
- Vaatamisi: 59428
Vw Golf1-marco
See sai topelt postitus. Kustutada palun!
- 20 Veebr 2020, 03:56
- Foorum: Kere & Sisu
- Teema: Abi Golf 1 originaalvärvi leidmisel?
- Vastuseid: 11
- Vaatamisi: 6943
Abi Golf 1 originaalvärvi leidmisel?
Lihtsaim viis värvikaardiga võrrelda sellisest kohast, kus päike pole ligi saanud. Need kuskil netis leiduvad värvikoodid ei pruugi õiged olla. Kunagi ise ka otsisin, aga koodi järgi ostetud värv ei sobinud auto värviga kokku.
Ma panustaks armatuuri alusele osale!
Ma panustaks armatuuri alusele osale!
- 07 Nov 2019, 05:35
- Foorum: Huviliste autod
- Teema: Vw Golf mk1 2.0 83.a - K.Siim
- Vastuseid: 209
- Vaatamisi: 116072
Vw Golf 1 Projekt 2.0 1983.a - K.Siim
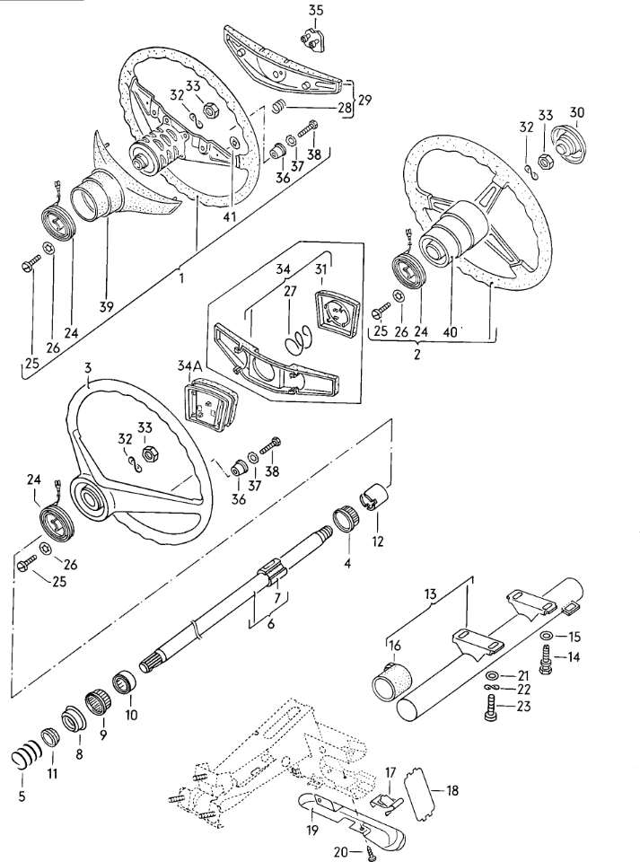
Allapoole lähevad vedru ja muid pudinaid. Üles läheb laager ja plastikpuks. See plastik hoiabki roolisammast senikaua paigal, kuni rooli paigaldad. Ilma puksita tõmbabki vedru roolisamba alla ja rool ei ulatu nuuti!
- 06 Nov 2019, 20:55
- Foorum: Kere & Sisu
- Teema: VW T3 Caravelle koopalaiendid
- Vastuseid: 1
- Vaatamisi: 1996
VW T3 Caravelle koopalaiendid
http://shop-cartuning.com/en/wyszukiwar ... m=1&page=3
Tere! Vaata siit ringi!
Võid vaadata veel werk34.de
Tere! Vaata siit ringi!
Võid vaadata veel werk34.de
- 22 Okt 2019, 21:32
- Foorum: EVWK kogunemised piirkondades
- Teema: LÕUNA-EESTI - Neljapäeval kell 19.00 E-Kaubamaja
- Vastuseid: 836
- Vaatamisi: 442766
LÕUNA-EESTI - Neljapäeval kell 19.00 E-Kaubamaja
Ma oleks tulemas!!!
- 08 Apr 2019, 06:30
- Foorum: Huviliste autod
- Teema: Vw Golf1-marco
- Vastuseid: 82
- Vaatamisi: 59428
Vw Golf1-marco
Hakkame sportlikuks!!! 
- 25 Mär 2019, 12:19
- Foorum: Huviliste autod
- Teema: Vw Golf1-marco
- Vastuseid: 82
- Vaatamisi: 59428
Vw Golf1-marco
Vanakesed kevadõhku nuusutamas! 
- 21 Mär 2019, 13:14
- Foorum: Huviliste autod
- Teema: Vw Golf1-marco
- Vastuseid: 82
- Vaatamisi: 59428
Vw Golf1-marco
Mitte, et ma paha pärast, aga eestlastel ongi kombeks alati hinna üle nuriseda. Ega ma ei loodagi, et telefon oleks kohe punane. Kui vaadata turgu ka väljaspoolt eestit, siis tegelikult on nii heas korras golfi odavamalt raske leida. Ja kui vaadata varuosade hindu, siis ma ei usu, et keegi sama tule...
- 20 Mär 2019, 18:41
- Foorum: Huviliste autod
- Teema: Vw Golf1-marco
- Vastuseid: 82
- Vaatamisi: 59428
Vw Golf1-marco
Auto on müügis jah! Kahte autot jõuaks ka pidada, aga ühega oleks lihtsam! 
Lähipäevil saab auto ka nanokaitse peale!
Lähipäevil saab auto ka nanokaitse peale!
- 07 Mär 2019, 18:48
- Foorum: Huviliste autod
- Teema: VW Scirocco mk2 1.8 1992 Rocco2
- Vastuseid: 333
- Vaatamisi: 198924
VW Scirocco mk2 1.8 1992 Rocco2
Kust need luku vastused tellisid? Minu omad on aastaga hapuks läinud! Tahaks kvaliteetseid! Ise tellisin Werk34.de-st.
- 04 Mär 2019, 14:09
- Foorum: Huviliste autod
- Teema: Vw Multivan 1,9 TD- marco
- Vastuseid: 35
- Vaatamisi: 26794
- 02 Mär 2019, 14:41
- Foorum: Huviliste autod
- Teema: Vw Multivan 1,9 TD- marco
- Vastuseid: 35
- Vaatamisi: 26794
Vw Multivan 1,9 TD- marco
Nüüd peaks buss kevadeks valmis olema ja mulle tundub, et see kevad pole enam kaugel. Viimase lihvina sai alla pandud uued suverehvid. See kord tahtsin natuke maasturliku välimust ja liisk langes 225/70R15c rehvidele. Kogu buss tõusis 3 cm ja pilt on tõestuseks, et veel mahub nõugugude aegsest madal...
- 22 Jaan 2019, 13:27
- Foorum: Huviliste autod
- Teema: Vw Golf1-marco
- Vastuseid: 82
- Vaatamisi: 59428
Vw Golf1-marco
Eile sain endale päris "uue" auto!!!!
- 21 Jaan 2019, 18:37
- Foorum: Huviliste autod
- Teema: Vw Multivan 1,9 TD- marco
- Vastuseid: 35
- Vaatamisi: 26794
Vw Multivan 1,9 TD- marco
Buss on kenasti talveunes, aga niisama tal puhata ei lase. Vahetatud on mõned jubinad ja mõned vajavad veel vahetust. Välimuse osas sai teistmoodi udukad ette aretatud. Westfalia lisa sai ette ja parempoolne esimene iste sai keerama pandud! 20190121_160755.jpg 20190121_161322.jpg 20190121_160917.jpg
- 04 Dets 2018, 16:05
- Foorum: Huviliste autod
- Teema: Vw Golf1-marco
- Vastuseid: 82
- Vaatamisi: 59428
Vw Golf1-marco
Penskar, ma arvan, et meil ongi samat värvi autod. Kuigi jah, pildi järgi on seda raske tuvastada. Ma ka täpselt ei tea, mis lisavarustust neil autodel omal ajal juurde pakuti. Tundub, et suurema kubatuuriga mootorile pandi tahhomeeter ja pidurivõim vähemalt. Küll aga oli suhteliselt suur värvivalik...
- 17 Nov 2018, 10:39
- Foorum: Huviliste autod
- Teema: Vw Golf1-marco
- Vastuseid: 82
- Vaatamisi: 59428
Vw Golf1-marco
Lahe ajastutruu velg on all, mu kunagisel mk1 Sciroccol olid samasugused all :thumbup: Need ongi scirocco mk1 veljed aastast 78. See golf on küll äge ja jääb paljudele silma. Üks kord tuli isegi üks vanamutt mu autot kiitma. Aga talveks sai ta tehtud seepärast, et minu jaoks on mu T3 buss palju suu...
- 16 Nov 2018, 22:11
- Foorum: Huviliste autod
- Teema: Vw Golf1-marco
- Vastuseid: 82
- Vaatamisi: 59428
- 16 Nov 2018, 19:58
- Foorum: Huviliste autod
- Teema: Vw Golf1-marco
- Vastuseid: 82
- Vaatamisi: 59428
Vw Golf1-marco
Täna tegelesin veits autoga. Mõningad releed läksid vahetusse, uued pirnid tuledesse ja ülevaatus punktis regulliti tuled ja co ka paika. Co oli 6,0. Lubatud on 4,5. Hetkel jäi 3,0. Seda siis tühikäigul. Pöörete peal läks co kuskil sinna 0,4 kanti. Lõpuks üks korralik pesu ka! 20181116_154908.jpg 20...
- 03 Nov 2018, 06:43
- Foorum: Huviliste autod
- Teema: Vw Golf1-marco
- Vastuseid: 82
- Vaatamisi: 59428
Vw Golf1-marco
Hei! Natuke teema uuendust. Auto on aja jooksul suht viisakalt ennast üleval pidanud. Bensiinipump ongi ainuke jupp, mis on ära vahetatud. Õnneks oli veel bierburgi toodangut saada, sest nende odavate pumpadega see auto ei tööta. Mingi aeg tagasi korrastasin pakiruumi katet. Esmalt siis üks pilt enn...
- 10 Aug 2018, 08:54
- Foorum: Huviliste autod
- Teema: Vw Golf1-marco
- Vastuseid: 82
- Vaatamisi: 59428
Vw Golf1-marco
Talveks saab golf omale sellised valged käimad alla!

